المورّد: aFe

aFe Magnum FORCE Replacement Edge Trim Kit 1/16 IN X 36 IN L

Regular price 47.99 SAR Sale price 47.99 SAR
شامل ضريبة القيمة المضافة 
SKU: AFE59-10098
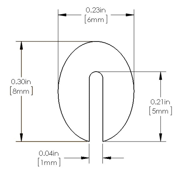
الوصفStrong, Flexible Construction: This edge trims EPDM construction is durable, withstanding temperatures from -40 Degree F to 212 Degree F (-40 Degree C to 100 Degree C). It retains its ample flexibility at low temperatures, making installation a breeze.For a Variety of Uses: Its designed to attach perfectly to 1/16 thick edges and will fit edges ranging from 1/32 to 1/8 thick. This edge trim fits a wide range of aFe POWER™s Takeda and Magnum FORCE cold air intake systems, but can be used for a variety of other applications as well. Its most commonly used to replace existing worn-out trim. For aFe POWER parts, refer to your cold air intake™s instruction sheet to confirm the required edge trim size.Direct Replacement for P/N 05-00149.